Métafram-Sinterlager
Métafram-Sinterlager sind poröse, schmierstoffhaltige Gleitlager aus Bronze BP 25 oder Eisen FP
20. Die sich drehende Welle entnimmt durch einen Saugeffekt aus den Poren Schmieröl, welches
nach dem Stillstand der Welle durch die Kapillarwirkung in die Büchse zurückgesaugt wird. Da das
Öl durch den Kreislauf nicht verloren gehen kann, sind Métafram-Sinterlager selbstschmierend.
Mechanische und physikalische Eienschaften
|
Métafram |
BP 25 |
FP 20 |
|
Normvergleich ähnlich SINT |
A50 |
A10 |
|
Tränköl |
Shell Turbo T 100 |
Shell Turbo T 100 |
|
Dichte [kg/dm3] |
≥ 6,2 |
≥ 5,6 |
|
Offene Porosität [%] |
≥ 23 |
≥ 20 |
|
Zulässige statische Belastung [N/mm2] |
≤ 20 |
≤ 45 |
|
Zulässige dynamische Belastung [N/mm2] |
≤ 10 |
≤ 22 |
|
Zulässige Gleitgeschwindigkeit [m/s] |
≤ 6 |
≤ 4 |
|
PV-Wert unter hydrodynamischen Schmierbedingungen (vmin = 0,5 m/s) [N/mm2 x m/s] |
1,8 |
1,8 |
|
Zulässiger Temperaturbereich [°C] |
-5/+90 |
-5/+90 |
Spanabhebende Bearbeitung
Nachtränken
Nach der spanabhebenden Bearbeitung sind die Lager in einem auf 80°C erhitzten Ölbad eine Stunde lang liegen und anschliessend erkalten zu lassen. Für das Nachtränken muss das gleiche Öl verwendet werden, mit welchem die ursprüngliche Imprägnierung vorgenommen wurde.
Spezialtränkung
Für den Einsatz der Büchsen ausserhalb des Temperaturbereiches von -5° bis +90°C bieten wir als Sonderfertigung andere Schmierstoffimprägnierungen an. Bitte fragen Sie uns an.
Sonderabmessung
Abmessungen, die ausserhalb des Standardsortiments liegen, können wir nach Ihrer Zeichnung hergestellt liefern. Kleinere Stückzahlen werden, so wie oben beschrieben, spanabhebend bearbeitet. Für grössere Serien werden passende Werkzeuge hergestellt und die Stückpreise sind dann ähnlich interessant wie bei den Normgrössen.
Sonderlegierung
Für aussergewöhnliche Beanspruchungen, namentlich für sehr hohe Belastungen, verfügt Métafram über Speziallegierungen. Wir bieten Ihnen diese gerne an.
Anwendungsbeispiele
Métafram-Sinterlager werden in folgenden Bereichen der Maschinen- und Konsumgüter-industrie eingesetzt: Werkzeugmaschinen, Textilmaschinen, Verpackungsmaschinen, Druckereimaschinen, Landwirtschafts-Maschinen, Fahrzeuge, Lüftungs- und Klimaanlagen, Haushaltgeräte, elektrische Handwerkzeuge, Elektromotoren, Büromaschinen, Spielzeuge, medizinische Geräte, optische Geräte, Reduktionsgetriebe, usw.
Zylinderbüchsen BP 25 und FP 20
d1 : ≤ 50 mm: F7 > 50 mm: F8
d2 : ≤ 50 mm: s7 > 50 mm: s8b1 : ≤ 10 mm: ±0,1 mm > 10 mm: ±1%
f : Kantenbruch (0,1-0,2) x s; min. 0,2
Rundlauf: Maximale Abweichung der Messuhrwerte bei einer vollen Drehung der Büchse auf einem
Dorn.
Innen-Ø ≤ 25 mm: Toleranz: 50 µm
Innen-Ø > 25 mm: Toleranz: 70 µm
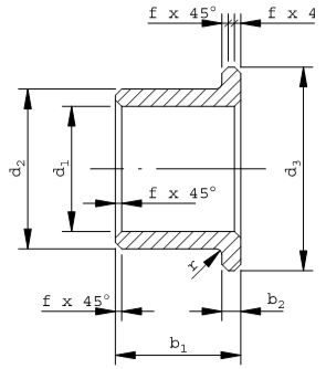
Flanschenbüchsen BP 25 und FP 20
d1 : F8
d2 : s8
d3 : js13
b1 : ≤ 10 mm: ±0,1 mm > 10 mm: ±1%
b2 : js14
f : Kantenbruch (0,1-0,2) x b2; min. 0,2
rmax : 0,3 x b2
Rundlauf: Maximale Abweichung der Messuhrwerte bei einer vollen Drehung der Büchse auf einem
Dorn.
Innen-Ø ≤ 25 mm: Toleranz: 60 µm
Innen-Ø > 25 mm: Toleranz: 80 µm
Einpressdorn
Ø-Toleranz dP: m6
Die Sinterbüchsen werden mit der Presse in die Aufnahmebohrung eingeführt. Die empfohlene
Dorntoleranz ist wichtig, damit
- ein einwandfreier Haftsitz und
- die gewünschte Endbohrungstoleranz erreicht werden
Büchsen vor dem Einbau
Beachten Sie die Angaben auf Seite 20.
Ø d1 Zylindrische Büchse: F7/F8
Ø d1 Flanschbüchse: F8
Ø d2 Zylindrische Büchse: s7/s8
Ø d2 Flanschbüchse: s8
Gehäusebohrung aus Stahl
Ø-Toleranz dB H7
Eine Aufnahmebohrung mit der Toleranz H7 ergibt mit den Büchsentoleranzen die passende 
Überdeckung für einen ausreichenden Haftsitz und die richtige Endbohrungstoleranz. Wenn die
Aufnahmebohrung nicht aus massivem Stahl besteht, sollten Versuche gemacht werden, um die
Bohrungstoleranzen bestimmen zu können. Wir beraten Sie gerne.
Büchsen nach dem Einbau
Bohrungstoleranzen
Zylindrische Büchsen dE:
mit Innen-Ø < 50 mm H7
mit Innen-Ø ≥ 50 mm H8
Flanschbüchsen dE: H8
Welle
Toleranz dW f7
Wellenwerkstoffe:
für BP 25: Stahl Rm ≥ 600 N/mm2
für FP 20: Stahl Rm ≥ 800 N/mm2
Die Wellenoberfläche sollte nach Möglichkeit geschliffen sein. Je feiner die Oberfläche, desto
grösser die Lebensdauer. Beim Verwenden von rostfreien Stahlwellen empfehlen wir Rollieren oder
Hartverchromen.
Wir beraten Sie gerne.
Technische Änderungen vorbehalten, alle Angaben ohne Gewähr.
Verwendungsbeispiele
Lobrodur 18 eignet sich besonders gut für Lager-, Ventilführungs- und Führungsbüchsen, Führungsschienen, Gleitelemente, auch solche für schwingende und oszillierende Bewegungen, wärmebeanspruchte Lager, hochfeste Schrauben, verschleissbeanspruchte elektrische Kontaktelemente, Relaisschrauben, Gesenkschmiedeteile, Fahrleitungsklemmen, usw..
Bearbeitbarkeit
Dieser Werkstoff ist gut kalt- und ausgezeichnet warmumformbar. Für die Warmverformung wird der Lieferzustand gepresst empfohlen. Die Verarbeitungstemperatur liegt bei ca. 880 – 900°C. Lobrodur 18 lässt sich am besten im ausgehärteten Zustand zerspanend bearbeiten. Falls die Teile nach der Verformung noch anschliessend mechanisch bearbeitet werden, ist es zweckmässig, die thermische Aushärtung nach der Umformung und vor der zerspanenden Bearbeitung vorzunehmen. Bei der Aushärtung nehmen die mechanischen Eigenschaften sowie die elektrische Leitfähigkeit zu. Da unsere bevorrateten Rundstangen bereits ausgehärtet sind, sollte an den Teilen keine Wärmebehandlung mehr vorgenommen werden.
Lobrodur 18 - Liefermöglichkeiten
- Kalt gezogene und ausgehärtete Rundstangen von Ø 10 – 102 mm aus Vorrat lieferbar.
- Rundstangen ab Ø 102–122 mm sind kurzfristig erhältlich.
- Flach- und Sechskantstangen sind ebenfalls kurzfristig lieferbar.
- Je nach Verwendungszweck kann Lobrodur 18 auch „aushärtungsfähig“ geliefert werden.
- Einbaufertige Teile gemäss Kundenzeichnung.
Wir beraten Sie gerne.
Technische Änderungen vorbehalten, alle Angaben ohne Gewähr.
Links
Zusätzliche Informationen finden Sie im Looser Bronzen Katalog oder unter Download.