Looser Gleitlager LG 41
Looser Gleitlager LG 41 sind einbaufertig gedrehte Büchsen, hergestellt aus der Looser Bronze 50
(CuSn7Zn4Pb7-C-GC/GZ DIN EN 1982). Wir bevorraten ca. 180 Abmessungen als Zylinder- und
Flanschbüchsen. Die meerwasserbeständigen Gleitlager weisen gute Gleiteigenschaften und hohe
Verschleissfestigkeit auf. Die Lager sind geeignet für Oel- oder Fettschmierung.
Spezielle Fertigung nach Kundenzeichnungen ist ebenfalls möglich zu vorteilhaften Preisen auch in
vielen anderen Bronzewerkstoffen.
Toleranzen und Einbauempfehlungen
Zylinderbüchsen LG 41
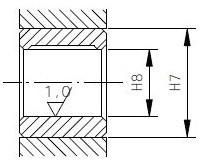
| Vor dem Einbau | Nach dem Einbau | Welle |
![]() |
![]() Nach dem Einpressen in eine Gehäusebohrung H7 aus Stahl wird der Innendurchmesser d1 F7 zu d1 H8.
|
Wellenhärte: min. HB 165 |
| Kantenbruch | Extentrizität radial und axial | Längentoleranz | |||
| d1 [mm] / von - bis | f [mm] | μm | b1 [mm] / von - bis | Toleranz [mm] | |
| 5 - 9 | 0,3 | 50 | 6 - 10 | 0/-0,2 | |
| > 9 - 18 | 0,6 | 50 | > 10 - 30 | 0/-0,3 | |
| > 18 - 20 | 1,0 | 50 | > 30 - 80 | 0/-0,4 | |
| > 20 - 40 | 1,0 | 70 | > 80 - 350 | 0/-0,4 | |
| > 40 - 50 | 1,0 | 100 | |||
| > 50 - 75 | 1,5 | 100 | |||
| > 75 - 120 | 2,0 | 100 | |||
| > 120 - 160 | 2,5 | 100 | |||
| > 160 | 3,0 | 100 |
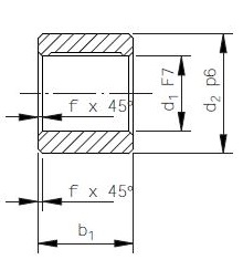
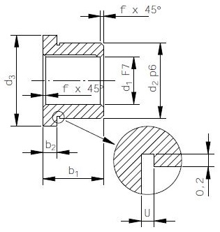
Flanschbüchsen LG 41
|
Vor dem Einbau |
Nach dem Einbau |
Welle |
![]() |
![]() Nach dem Einpressen in eine Gehäusebohrung H7 aus Stahl wird der Innendurchmesser d1 F7 zu d1 H8. |
![]() Wellenhärte: min. HB 165 Wellentoleranz: Über die Toleranz der Welle wird das Lagerspiel bestimmt. Dieses hängt von mehreren Faktoren ab, wie Belastung, Gleitgeschwindigkeit, Schmierung, Temperatur. Für mit Öl geschmierte und normal beanspruchte Lager empfehlen wir eine Wellentoleranz [dW] von e7. |
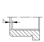
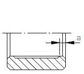
Masse der Schmiernute
![]() |
![]() |
![]() |
| d1 [mm] | a [mm] | h [mm] | α |
| 14 - 22 | 3 | d1 + 1 | 105° |
| 25 - 55 | 3 | d1 + 1 | 124° |
| 60 - 130 | L x 0,05 | d1 + 1,5 | 124° |
| 140 - 190 | L x 0,05 | d1 + 2 | 124° |
| > 190 | L x 0,05 | d1 + 2,5 | 124° |
Wellenwerkstoffe
Die Qualität der Welle ist von grosser Bedeutung für die Funktion und die Lebensdauer der Lagerung. Bei mässigen Belastungen soll die Oberflächenhärte der Welle nicht geringer als 165 HB sein. Bei hohen Belastungen ist eine harte Welle mit 250 – 350 HB erforderlich. Wellen mit ungenügender Oberflächenhärte können gehärtet, einsatzgehärtet oder hartverchromt werden (Schichtdicke 50 – 100 μm). Hartverchromte Wellen haben zudem gute Gleiteigenschaften.
Zu empfehlende Wellenwerkstoff-Nummern: 1.0501, 1.0503, 1.1191, 1.6582, 1.7218, 1.4057 (rostfrei)
Looser Gleitlager Lg 41 - Werkstoffdaten
Die Eigenschaften und Verwendungsbeispiele entsprechen unserer Looser Bronze 50.
Wir beraten Sie gerne.
Technische Änderungen vorbehalten, alle Angaben ohne Gewähr.








